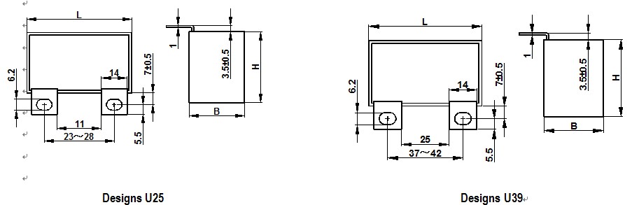
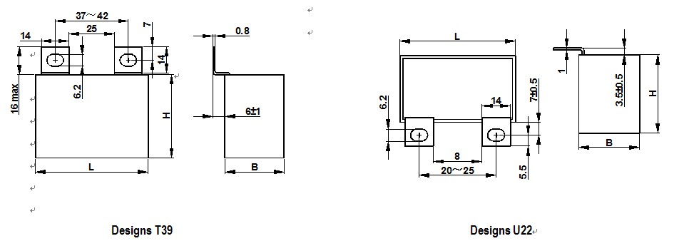
产品介绍
1、方壳片式引出,安装方便;
2、电压700--3000VDC;容量0.1--6.8uf;
3、超低ESL、ESR,高频特性好;
4、用于突波吸收、保护IGBT;
















警告声明: ADSO对于任何由于不当的安装或使用所带来的人生安全、财产损失概不负责;
在使用ADSO电容器之前,请仔细阅读此技术资料,谨慎合理使用,以确保电容器的正确使用;
任何对于ADSO电容器的误用都有可能会损坏元件,改变元件性能参数并降低可靠性和寿命;
请勿将电容器置于火中,以免引起爆炸,同时合理处置废弃元件,确保环保,保护自然;
更多产品




